SP6658P
是一顆高性能、多工作模式的PWM控制芯片。
詳細介紹
文檔與工具
樣品及購買
SP6658P是一顆高性能、多工作模式的PWM控制芯片。芯片可以工作在跳頻及綠色模式,以此來減小空載和輕載時的損耗,也可以工作在QR工作模式及CCM工作模式,提高整機的工作效率。SP6658P在啟動和工作時只需要很小的電流,可以在啟動電路中使用一個很大的電阻,以此來進一步減小待機時的功耗。SP6658P內置多種保護,包括:輸入電壓過低保護(Brown-out),輸出電壓短路保護,VDD過壓保護(OVP),VDD過壓箝位,VDD欠壓保護(UVLO),過溫保護(OTP)等。
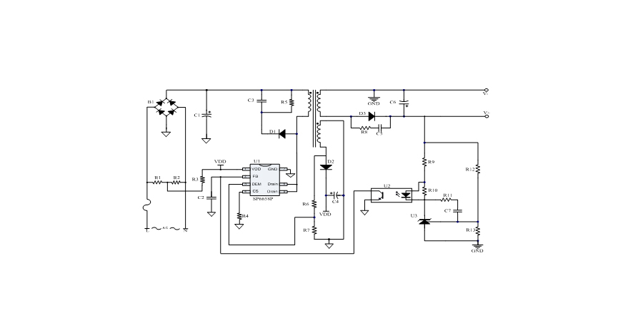
典型應用框圖
應用
● 230Vac輸入待機功耗小于75mW
● 多種工作模式
CCM@重載
QR@中載
Green Mode@輕載
Burst Mode@空載
● 無噪聲工作
● 固定65KHz開關頻率
● 內置軟啟動功能
● 低啟動電流,低工作電流
● 輸入電壓過低檢測(Brown-out)功能
● 過壓保護(OVP),欠壓保護(UVLO),VDD電壓箝位
● 過溫保護(OTP)
● DIP-7無鉛封裝
● 充電器
● AC/DC電源適配器
● 機頂盒電源
● 開放框架式開關電源
● 個人電腦輔助電源
樣品及購買
樣片申請
推薦產品
